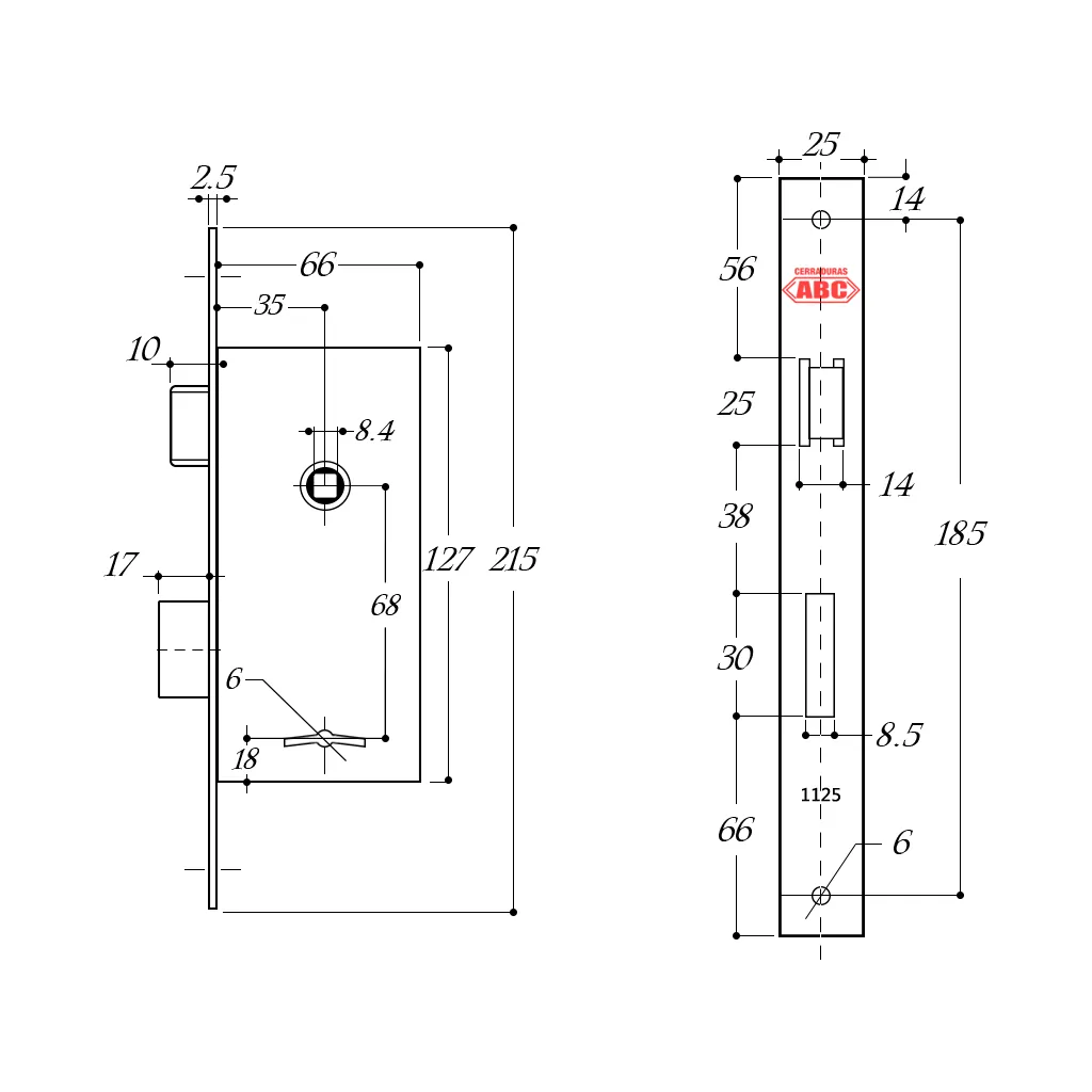
Cerraduras: CE-1125

Frente ancho con 4 placas de acero. Cerradura para embutir en puertas metálicas o de madera.

Portada del producto Plano del producto
imagen-CE-1125
Caja
127 x 66 mm
Frente
215 x 25 mm
Pasador
30 x 8,5 mm
Terminación
Frente y caja zincada - Nuez y pestillo de Zamac

Incluye
2 llaves de bronce - Bocallaves - Contrafrente

Presentación
Cerraduras en caja x 24 unidades